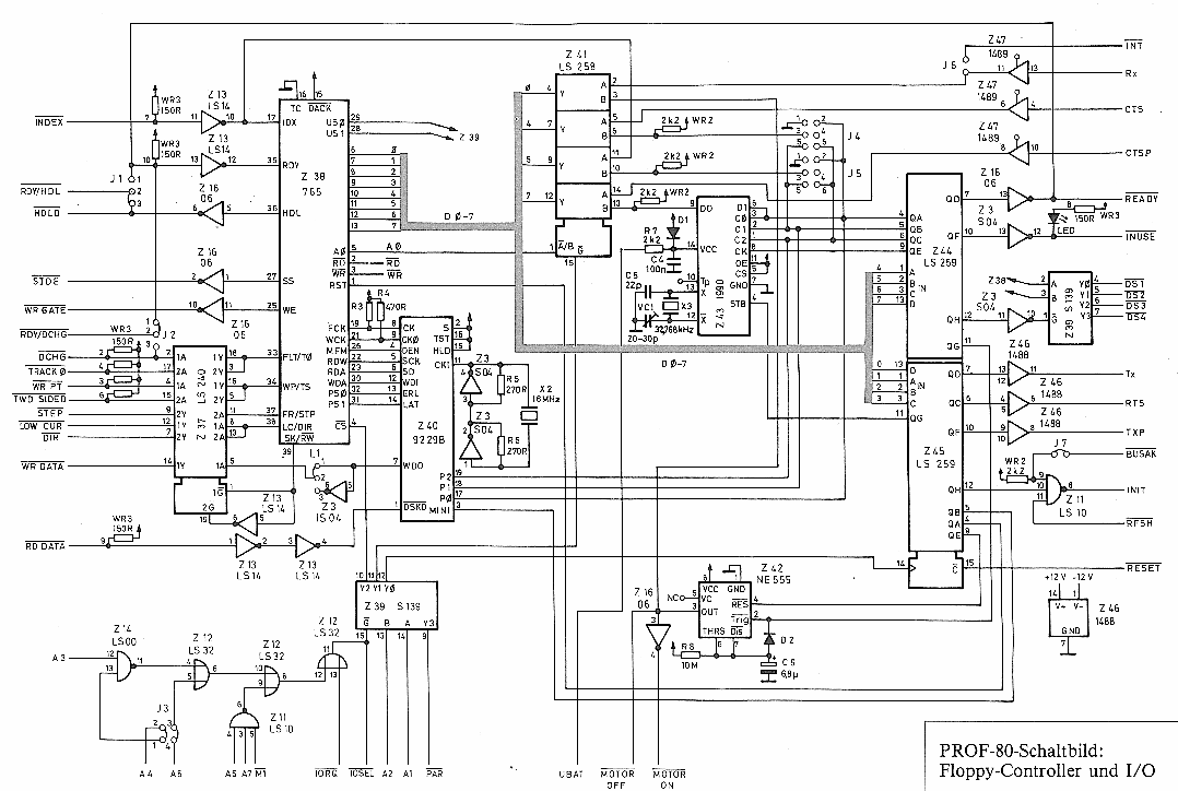
CPU und RAM <-| PROF-80: FLOPPY und IO |-> Anschlüsse




top   Startseite   nächste Seite     Fragen oder Kommentare an mich   Datenschutz