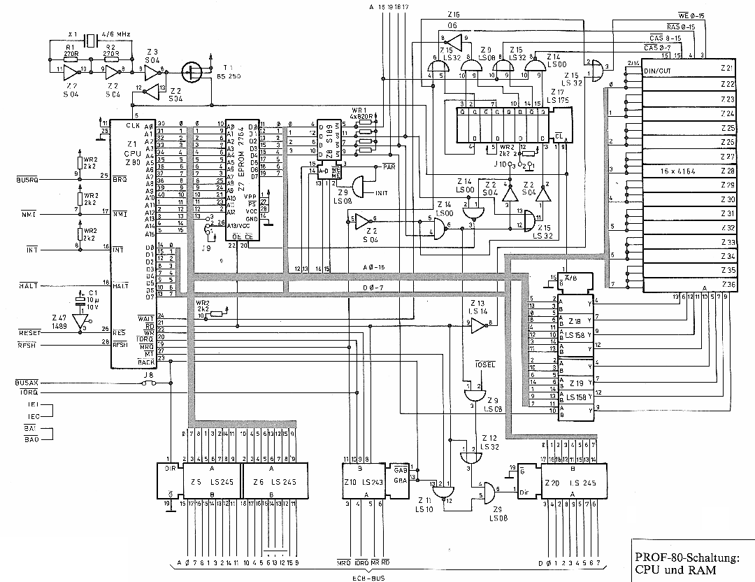
Details <-| PROF-80: CPU und RAM |-> FLOPPY und IO




top   Startseite   nächste Seite     Fragen oder Kommentare an mich   Datenschutz