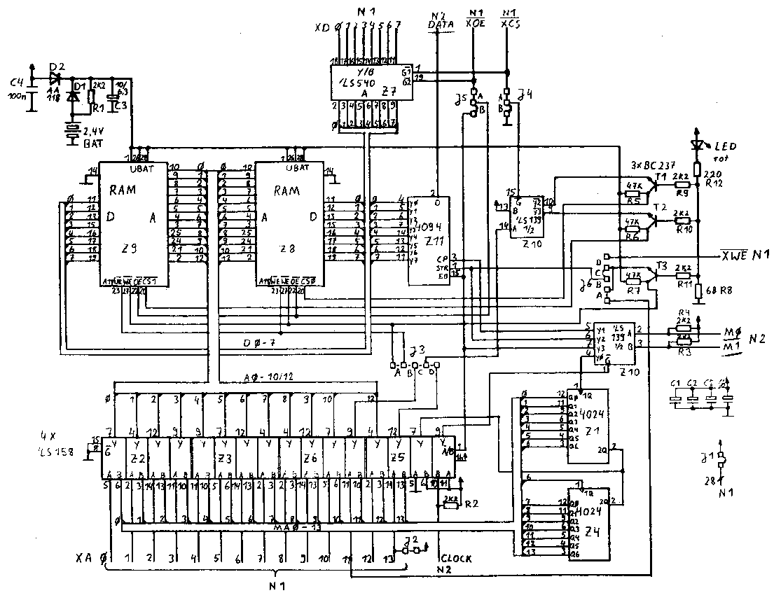
kurze Beschreibung <-| PEPS: Schaltbild|-> downloads




top   Startseite   nächste Seite     Fragen oder Kommentare an mich   Datenschutz