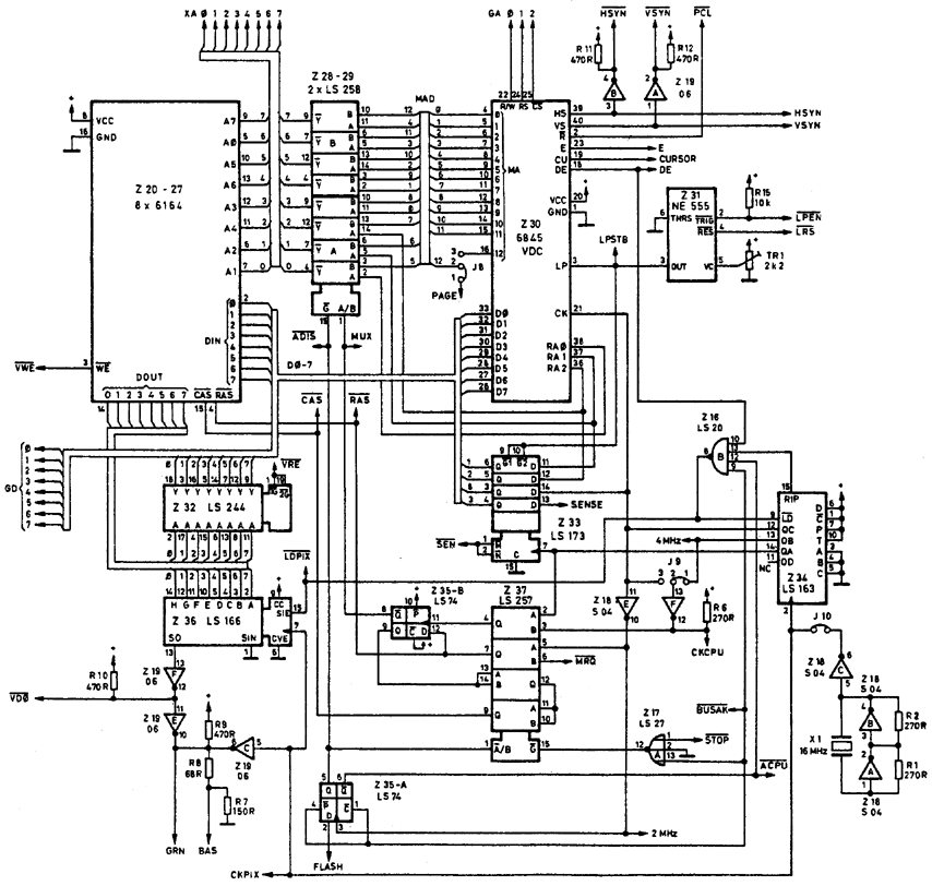
CPU und IO <-| GRIP-1: Grafik-Controller und Bildspeicher |-> downloads



top   Startseite   nächste Seite     Fragen oder Kommentare an mich   Datenschutz