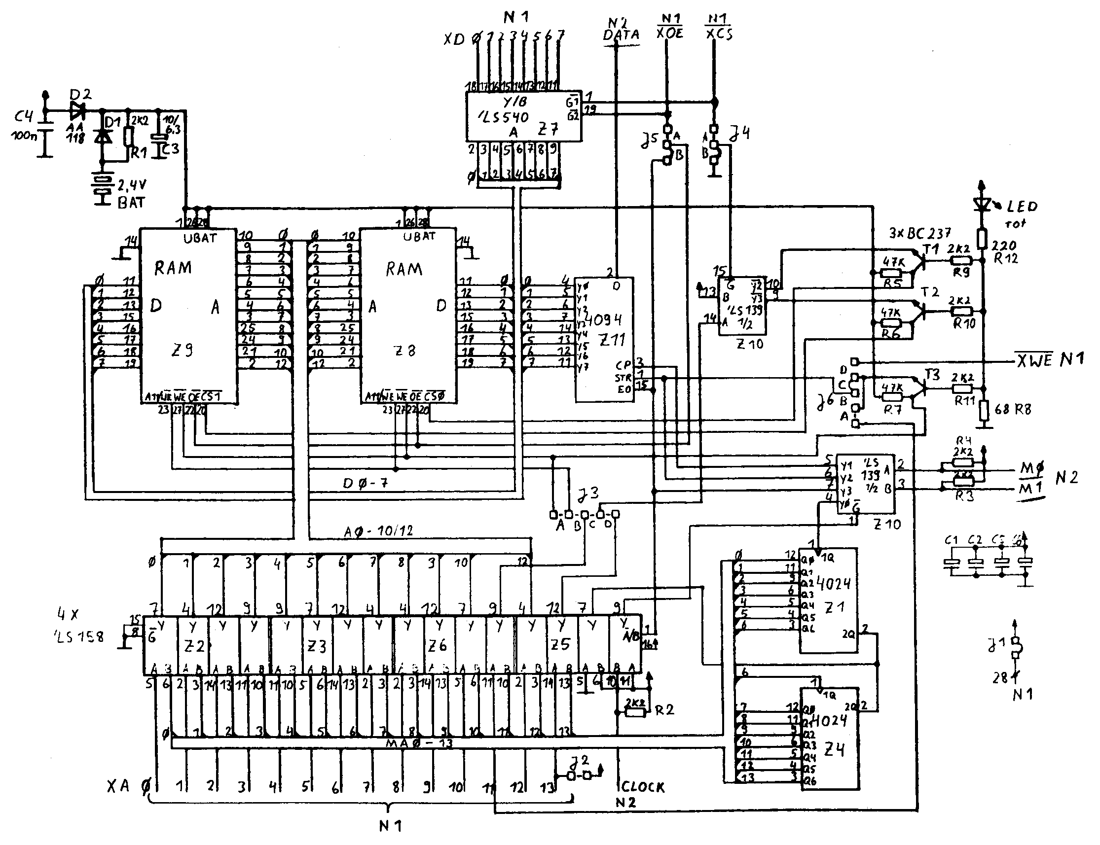
PEPS - Schaltbild





top   Startseite   zurück zu PEPS   nächste Seite     Fragen oder Kommentare an mich   Datenschutz