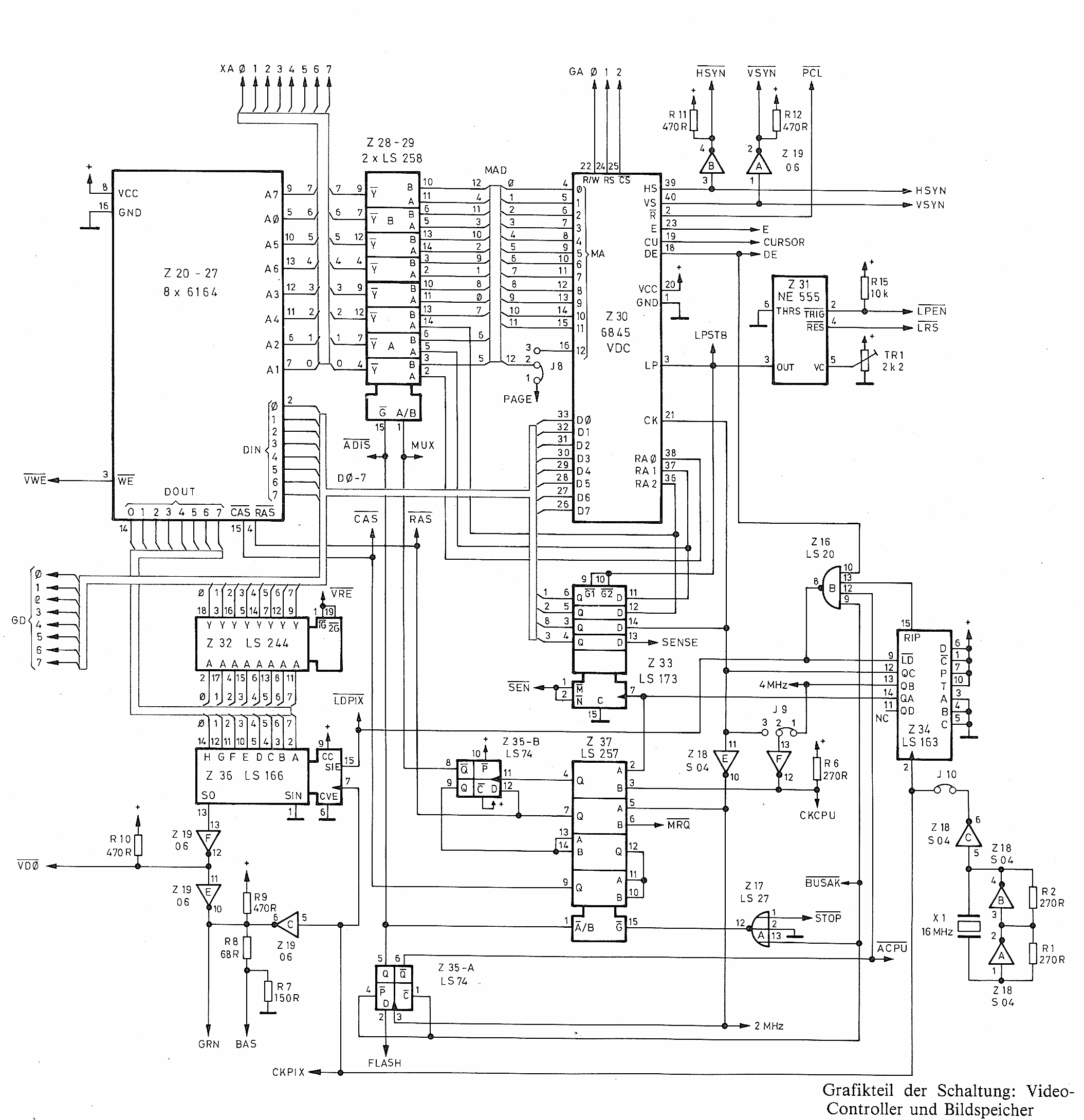
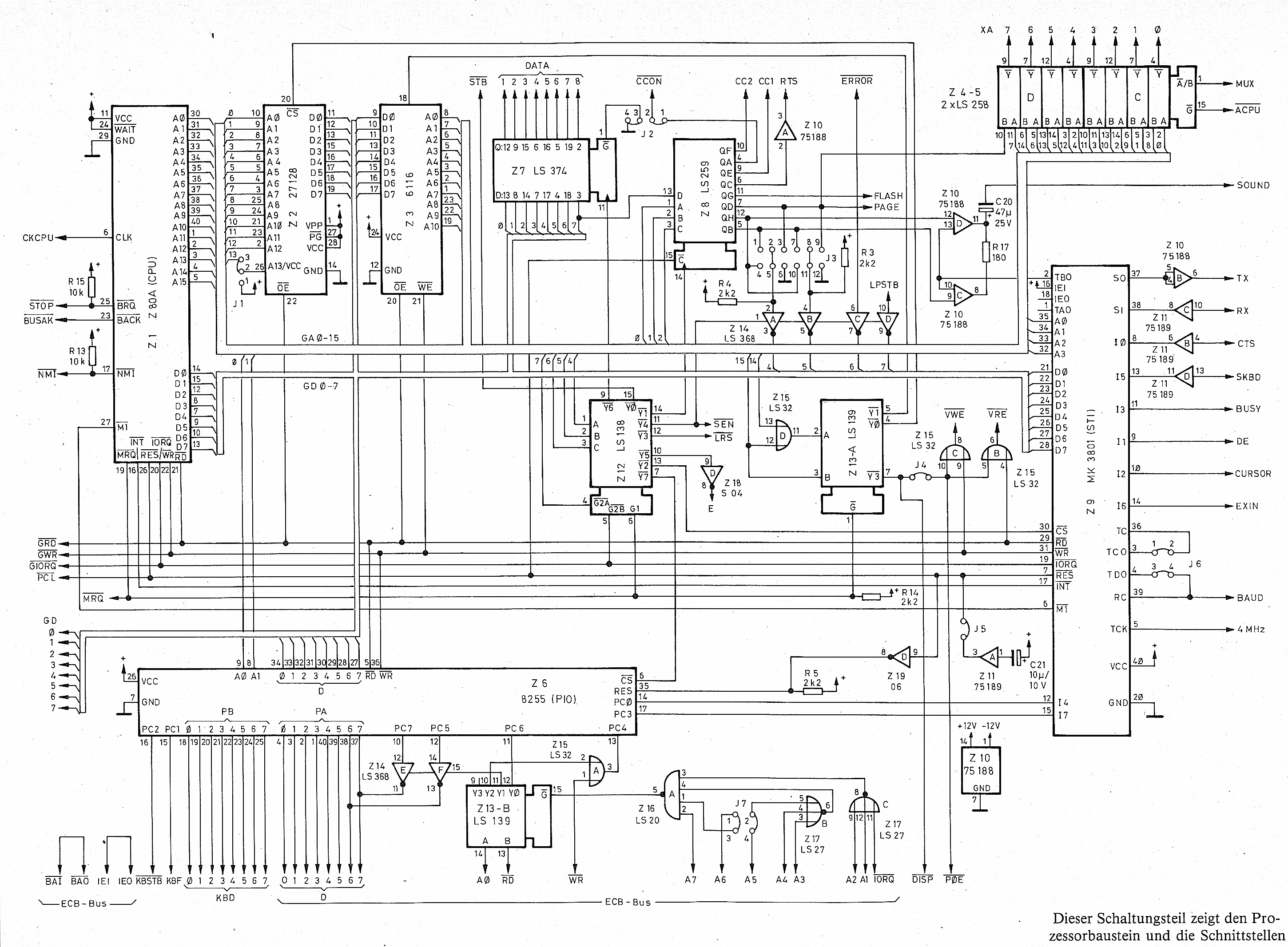
Grip 1 - Schaltbild





top   Startseite   zurück zu Details   nächste Seite     Fragen oder Kommentare an mich   Datenschutz