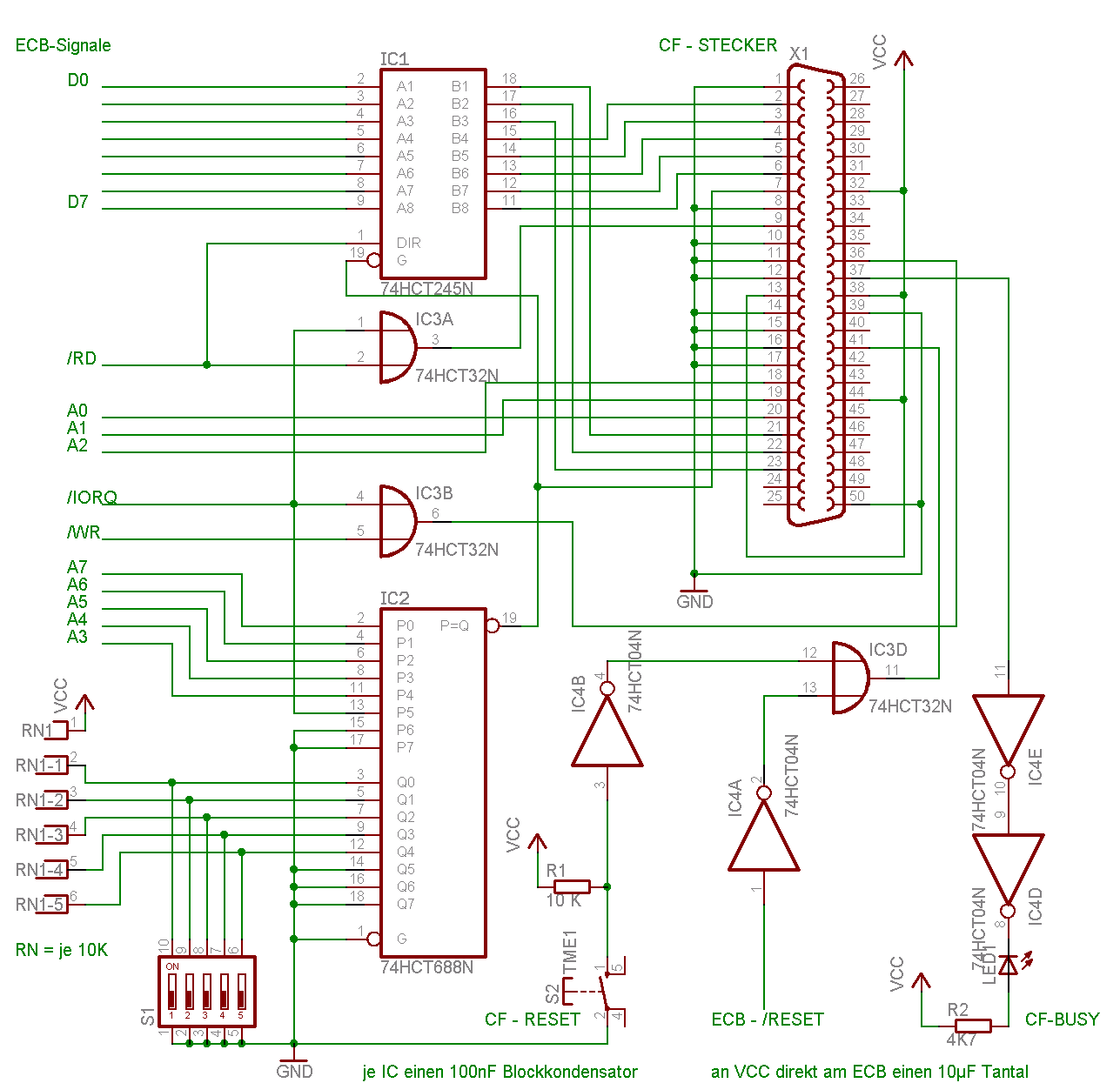
kurze Beschreibung <-| CF-PROF: Schaltbild |-> Bestückungsseite




top   Startseite   nächste Seite     Fragen oder Kommentare an mich   Datenschutz